|
公司基本資料信息
|
|||||||||||||||

| 型號 | IGP-5-125 | IGP-5-160 | IGP-5-200 | IGP-5-250 | |
| 理論排量 ml/r | 125.8 | 160.8 | 202.8 | 251.8 | |
| 轉速 r/min | 最低轉速 | 400 | 400 | 400 | 400 |
| 最高轉速 | 2200 | 2000 | 1800 | 1800 | |
| 壓力 MPa | 連續(xù)工作壓力 | 30 | 28 | 25 | 21 |
| 最大峰值壓力 | 33 | 31.5 | 30 | 25 | |
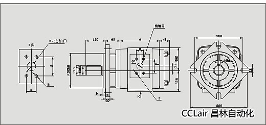
外形及安裝尺寸:

| 型號 | a | b | c | d | e | f | g | h | I | kg |
| IGP-5-125 | 152 | 30 | 50 | 78 | 42 | 70 | 36 | M12×20 | M10×15 | 46.5 |
| IGP-5-160 | 162 | 30 | 56 | 90 | 50 | 70 | 36 | M12×20 | M12×20 | 50 |
| IGP-5-200 | 174 | 34 | 62 | 90 | 50 | 70 | 36 | M12×20 | M12×20 | 54 |
| IGP-5-250 | 188 | 38 | 72 | 106 | 62 | 70 | 36 | M16×25 | M12×20 | 59 |