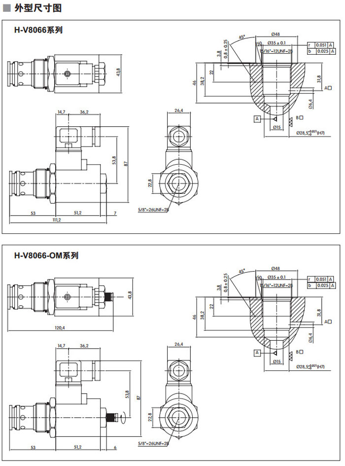
H-V8066-D12,H-V8066-D24,H-V8066-A15,H-V8066-A25,H-V8066-D12-NO-OM,H-V8066-A25-NC,高壓型插裝式無(wú)泄漏閥


H-V8066-D12-NC,H-V8066-D24-NC-OM,H-V8066-D24-NC,H-V8066-A15-NC-OM,H-V8066-A15-NC,
H-V8066-A25-NO,H-V8066-D12-NC-OM,H-V8066-D12-NO,H-V8066-D24-NO-OM,H-V8066-D24-NO,
H-V8066-A15-NO,H-V8066-A25-NO-OM,H-V8066-A25-NC-OM,H-V8066-A15-NO-OM,