F5V200DTH,斜盤式軸向柱塞泵
產品參數
| 型號 | 排量 (cc/rev) |
額定壓力 (Mpa) |
最大壓力 (Mpa) |
最大轉速 (rpm) |
重量 (Kg) |
應用 (ton) |
|---|---|---|---|---|---|---|
| F5V200DTH | 200*2 | 34.3 | 39.2 | 1900 | 194 | 42-46 |
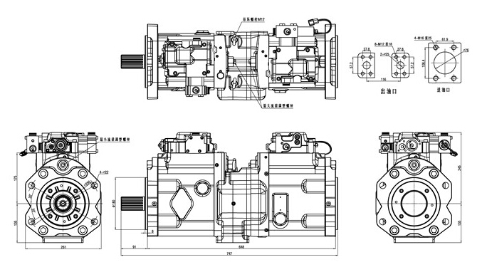
安裝尺寸圖

軸向柱塞泵 行走馬達 回轉馬達 多路控制閥普通會員
站內搜索
|
F5V200DTH,斜盤式軸向柱塞泵
詳細信息 F5V200DTH,斜盤式軸向柱塞泵 產品參數
安裝尺寸圖 ![]() 共0條 相關評論 |