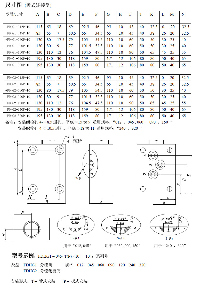
FDHG1-012T-10,FDHG2-045T-10,FDHG1-060P-10,FDHG2-090P-10,分流集流閥



FDHG2-012T-10,FDHG2-060T-10,FDHG2-090T-10,FDHG2-150T-10,FDHG2-240T-10,FDHG2-320T-10,
FDHG1-012P-10,FDHG1-045P-10,FDHG1-090P-10,FDHG1-150P-10,FDHG1-240P-10,FDHG1-320P-10,
FDHG2-012P-10,FDHG2-045P-10,FDHG2-060P-10,FDHG2-150P-10,FDHG2-240P-10,FDHG2-320P-10,
客服熱線:

