


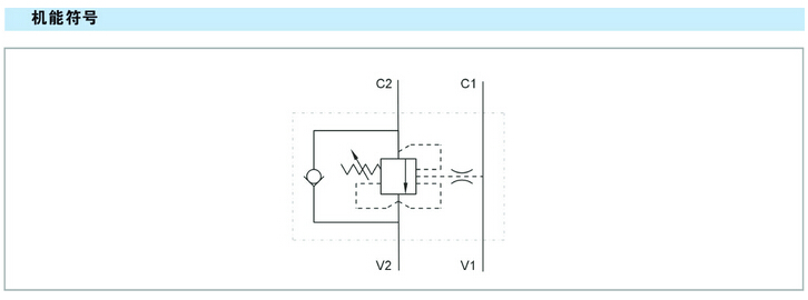
HYVBCD 3/8" SE CC,HYVBCD 1/2" SE CC,HYVBCD 3/4" SE CC,中心閉合的單向平衡閥
華液比例閥 放大器 壓力閥 方向閥 隔爆閥 流量閥 插裝閥 疊加閥 螺紋插裝閥 內嚙合齒輪泵 電磁鐵普通會員
站內搜索 |
HYVBCD 3/8" SE CC,HYVBCD 1/2" SE CC,HYVBCD 3/4" SE CC,中心閉合的單向平衡閥
詳細信息 HYVBCD 3/8" SE CC,HYVBCD 1/2" SE CC,HYVBCD 3/4" SE CC,中心閉合的單向平衡閥
共0條 相關評論 |